Nano-Fluid Cooled Condenser in Air Conditioning for Energy Conservation

Nano-Fluid Cooled Condenser in Air Conditioning for Energy Conservation

K. Balashowry* Putha Prasad Kumar K. Aruna Prabha V. V. D. Sahithi | Pankaj K. Jadhav S. P. Komble M. J. Sable | S. H. Gawande 

Department of Mechanical Engineering, VNR Vignana Jyothi Institute of Engineering and Technology, Hyderabad 500090, India

General Engineering Department, Institute of Chemical Technology, Mumbai 400019, India

Department of Mechanical Engineering, Vishwakarma Institute of Technology, Pune 411037, India

Department of Mechanical Engineering, COEP Technological University, Pune 411005, India

Industrial Tribology Laboratory, Department of Mechanical Engineering, M. E. S. Wadia College of Engineering, S. P. Pune University, Pune 411001, India

Corresponding Author Email: 
mechshowry@gmail.com
Page: 
23-30
|
DOI: 
https://doi.org/10.18280/ijepm.100103
Received: 
1 August 2024
|
Revised: 
13 October 2024
|
Accepted: 
14 February 2025
|
Available online: 
31 March 2025
| Citation

© 2025 The authors. This article is published by IIETA and is licensed under the CC BY 4.0 license (http://creativecommons.org/licenses/by/4.0/).

OPEN ACCESS

Abstract: 

The Heating, Ventilation, and Air Conditioning (HVAC) industry is always on the lookout for new and improved technology to help with their quest for environmentally friendly and economically viable cooling solutions. Investigating nanotechnology as a means to enhance HVAC system performance is an encouraging field of study. This research looks at the possibility of installing nano-fluid cooling jackets on the outside of condensers used in air conditioners. In particular, it examines how their distinct characteristics can improve the system's overall performance and speed up the transfer of heat. The primary area of study is the impact of copper and alumina nano-fluids on air cooling system efficiency. This investigation's primary objective is to determine the impact of these nano-fluids on heat transfer efficiency. The experimental strategy makes use of nano-fluids, which have unique features, to increase heat transfer rates by acting as an external medium around the condenser. By employing this methodology, the research aims to shed light on the potential uses of nano-fluids in HVAC systems. By conducting in-depth tests and analyses, this study aims to fill gaps in our knowledge about the pros and cons of using nano-fluids in HVAC systems. By taking a fresh tack, we can better understand the theoretical underpinnings of nano-fluid applications and highlight their real-world applications in enhancing Air Conditioning (AC) performance and efficiency. Aside from lowering the costs of pressure loss and pipe wall erosion, the results show that nano-fluids are more stable because they contain particles that are only micrometers or millimeters in size. They also conduct heat better than traditional models predict.

Keywords: 

nano-fluid, cooling, air conditioning, alumina, copper

1. Introduction

Even though air conditioning technology has come a long way, the company still faces a significant challenge in creating systems that reduce energy use without sacrificing performance. Attempting to fulfill these demands with conventional cooling systems sometimes results in unnecessary operational expenses and negative environmental impacts. Because of their extraordinary heat transfer capabilities, nano-fluids are an alternative that should be seriously considered. However, the use of nano-fluids as a protective covering for air conditioner condensers has received little attention. The necessity to address this information vacuum motivated us to investigate the potential of nano-fluids to enhance Air Conditioning (AC) system efficiency. By developing more environmentally friendly and economically viable cooling systems, our study hopes to close this knowledge gap and push Heating, Ventilation, and Air Conditioning (HVAC) technology forward. A major focus in the ever-changing energy efficiency technology sector is the development of innovative cooling systems. Potentially revolutionary for improving AC efficiency, nano-fluids are a novel class of fluids made by dispersing nanoparticles, nanofibers, nanotubes, and nanowires in a base fluid. When compared to traditional coolants, nano-fluids' superior heat transfer capabilities make them a revolutionary new player in the HVAC industry. Studying the potential of nano-fluids as an auxiliary cooling jacket for air conditioner condensers could enhance heat transfer efficiency, contribute to global energy conservation, and promote sustainable development. Nanoparticles, nanofibers, nanotubes, and other nanoscale components combine with a base fluid to create advanced fluids known as nano-fluids. Fluids produced using this innovative process exhibit enhanced and distinctive properties. Many fields are interested in nano-fluids because of the hype surrounding their possible superiority over conventional fluids in terms of heat transfer, mechanical strength, and other crucial properties. These colloidal solutions containing nanoparticles exhibit outstanding thermal properties, including high convective heat transfer coefficients. Due to their ability to regulate temperature, flow rate, and indoor air quality, nano-fluids find application in HVAC systems of both commercial and residential buildings. Nano-fluids, which come in a variety of forms such as window units, split systems, and central air conditioning, provide more precise temperature regulation and more efficient cooling than evaporative methods. While air conditioning systems with nanosized particles (1–100 nm) improve the coolant's heat-carrying efficiency, the best solution for any given user is ultimately up to them.

One of the biggest obstacles is the fact that nano-fluid stability is still not well established. Describe the process of creating stable nano-fluids and discuss the recent developments in this field. There has been a lot of buzz around nano-fluids lately. The wide range of possible uses for these materials drives research into nano-fluids. Recent evaluations of nano-fluid research have focused mostly on studies examining convective heat transport and the thermo-physical characteristics of these materials. Over the last several decades, the rapid development of nanotechnology has led to the creation of a new class of coolants known as nano-fluids. A nano-fluid is a liquid that contains suspended nanoparticles. Scientists created nano-fluids, diluted mixtures of composite materials containing functionalized nanoparticles, to enhance the heat transfer properties of regular fluids. Their debut occurred a little more than a decade ago. A sustainable nanotechnology industry. Nano-fluids with copper oxide nanoparticles in them are quite famous, as are ethylene glycol and water nano-fluids. The possibility of using these nano-fluids in a variety of heat control systems has recently propelled them to the forefront. Because efficient operation is so important, a lot of effort is put into finding ways to make these systems work better. In order to enhance a system's heat dissipation, Nakkaew et al. [1] performed a noteworthy experiment.

The testing revealed the attachment of external heat pipes to the condenser. We found that the additional heat pipes increased the calculated heat dissipation by 240 W at an air velocity of 5 m/s. This research highlights ongoing efforts to enhance the performance of thermal management systems using nano-fluids. The researchers proposed adding six more sections of heat pipe to further optimize the efficiency of the refrigeration system. Salem et al.'s [2] experimental work focused on redesigning the refrigeration system by arranging conical tubes at tapered angles. Researchers are currently investigating the potential of nano-fluids to improve refrigeration systems. Rashidi et al. [3] conducted a comprehensive study on systems based on evaporators and condensers. Additionally, Jiang et al. [4] explored the experimental application of TiO2 nano-fluid in an ammonia-absorbing refrigeration system. Their research examined various mass fractions, including 0.1%, 0.3%, and 0.5%, and reported a significant 27% increase in the coefficient of performance (CoP).

1.1 Application of nano-fluids

Sanukrishna and Prakash [5] demonstrated that modifying mass fractions from 0.1% to 0.5% led to a 27% enhancement in the CoP of an ammonia-absorbing refrigeration system. Sanukrishna and Prakash [5] investigated the properties of nanolubricants incorporating TiO2 nanoparticles dispersed in polyethylene glycol, examining volume fractions ranging from 0.07% to 0.8% across temperatures from 20℃ to 90℃. His study revealed that increases in solid volume fraction corresponded with higher thermal conductivity and viscosity; however, these properties diminished with rising temperature. Jiang et al. [6] performed temperature-dependent analyses of the thermal conductivity and viscosity of nano-fluids containing titanium oxide, iron oxide, and aluminum oxide. Their results showed that iron oxide nano-fluids experienced a 3% to 12% enhancement in thermal conductivity with increasing temperature, alongside a 15% to 25% increase in viscosity. Additionally, Adelekan et al. [7] reported in 2019 that TiO2 nanorefrigerants achieved a significant 78% improvement in the CoP. Babarinde et al. [8] also explored the efficacy of TiO2 nanolubricants combined with R600a refrigerant within the same year.

Sanukrishna et al. [9] demonstrated that the incorporation of SiO2 nanoparticles into R134a refrigerant resulted in a substantial 163.2% increase in the heat transfer coefficient, even at a modest volume fraction of 0.4%. Narayanasarma and Kuzhiveli [10] evaluated the effects of varying concentrations of SiO2 nanoparticles and observed that the addition of 0.2% SiO2 elevated the flash point by 7%, the fire point by 5.9%, and the viscosity index by 10.8%. Sharif et al. [11] examined the performance of SiO2/polyalkylene glycol nanolubricants in automotive air conditioning systems. In a 2019 laboratory study, Ajayi et al. [12] found that Al2O3 nanorefrigerants improved both cooling time and system efficiency. Sanukrishna and Prakash [13] discovered that the combination of Al2O3 nanoparticles with polyethylene glycol oil achieved the highest thermal conductivity ratio of 1.48. Hussain et al. [14] further demonstrated that the addition of 0.01% Al2O3 nanoparticles to an R134a cooling system enhanced the CoP by 25.7% at 28℃.

Zawawi et al. [15] and Redhwan et al. [16] independently investigated the properties of Al2O3 nanolubricants. Redhwan's research revealed a 33% improvement in the CoP, a 6% enhancement in cooling efficiency for mobile air conditioning systems, and an 8% reduction in compressor work. In a separate study, Soliman et al. [17] observed that the CoP ratio was notably improved at a 0.1% mass fraction of Al2O3 nanolubricants, comparing different mass fractions (0.05%, 0.1%, and 0.15%). Ahmed and Elsaid [18] examined the impact of Al2O3 nano-fluids on a chilled water air conditioning system, finding that at a 0.1% mass fraction and an airspeed of 0.61 m/s, the CoP increased by 23.7%. Khalifa [19] explored the effects of combining polyol ester oil with CuO and Al2O3 nanoparticles, testing various bulk fractions. Their results indicated that the nanolubricants containing Al2O3 achieved a CoP improvement of 16.8% and 32.5%, respectively, compared to those with CuO.

Baskar et al. [20] looked into the possibilities of ZrO2 nano-oil and found that the CoP rose by 5.65%, 7.15%, and 10.95% at concentrations of 0.15%, 0.2%, and 0.35% by volume. Pico et al. [21] did an experiment with diamond nanolubricants and found that the CoP went up by 4% at a mass fraction of 0.1% and the cooling capacity went up by 4.2% at a mass fraction of 0.5%. According to research by Hu et al. [22] and Ray et al. [23], adding Al2O3 nanoparticles to fourth-generation environmentally friendly refrigerants (R1234yf and HFE-7000) made heat transfer 11% to 15% better. Research on nano-fluids and nano lubricants has established that ultrasonic homogenization is currently the most reliable and stable method available.

Exergy analysis conducted by Padilla et al. [24], Bolaji et al. [25], and Ahamad et al. [26] suggests that transitioning from R12 to R413A in residential vapor compression air conditioning systems could offer substantial benefits. Saravanakumar and Selladurai [27] found that the compressor exhibited higher reversibility compared to other components of the system. Additionally, their study revealed that a home refrigerator utilizing an R290/R600a hydrocarbon blend demonstrated superior energy efficiency but a lower CoP compared to one using R134a. Joybari et al. [28] indicated that homeowners could achieve cost savings and reduce the fire risk associated with hydrocarbon refrigerants by replacing 145 g of R134a with 60 g of R600a in their home refrigerators.

In 2021, Ahmed and Khan [29] explored the potential of nano-fluids to improve the efficiency of HVAC systems. Their research demonstrated that incorporating nanoparticles substantially enhances the thermal conductivity of conventional refrigerants, thereby improving heat transfer and overall system performance. The study highlighted that the use of nano-fluids in the air conditioning cycle leads to a notable reduction in energy consumption, which is essential for both cost savings and environmental protection. It underscored the critical role of nanoparticle concentration, stability, and selection in the base fluid in achieving these efficiency gains. This research adds to the growing body of evidence supporting the significant performance benefits of nano-fluids in cooling systems, particularly in high-energy-demand applications.

Elsaid et al. [30] evaluated a split-type AC integrated with an evaporative cooling unit using TiO₂, MgO, and hybrid nano-fluids. The TiO₂+MgO/H₂O hybrid showed the best performance, with a 15.8% COP increase and 48.6% energy savings. Wood wool pads and atomizers enhanced performance, and a regression model accurately predicted COP (Adjusted R² ≈ 0.964). Zawawi et al. [31] studied Al₂O₃-SiO₂/PAG hybrid nanolubricants in automotive AC systems, finding a 60:40 ratio offered a 16.31% COP boost and 18.65% compressor work reduction, emphasizing optimal nanoparticle blending. Farzaneh et al. [32] used methanol-silver nano-fluid in a thermosyphon heat exchanger, achieving 8.8–31.5% cooling and 18–100% reheating energy savings. Improved thermal conductivity and suspension stability enhanced system performance. Zakaria et al. [33] explored Al₂O₃ nano-fluids in water–EG for PEM fuel cells, noting thermal conductivity increased with nanoparticle content but decreased with EG; the introduced TEC ratio highlighted enhanced cooling below 50% EG.

Alfian et al. [34] investigated CuO-EG/water nano-fluids for electronic cooling. At 0.102% concentration, heat transfer improved by 95% but required 40% more pumping power, highlighting a performance-energy trade-off. Balaji et al. [35] enhanced AC efficiency with an Al₂O₃ nano-fluid intercooler (0.75%), improving COP by 49.32% and cutting power use by 12.24%. Increased concentration and flow rate improved results. Koçal et al. [36] combined hybrid nano-fluids and grille designs in car radiators; 0.15% ZnO + 0.15% CuO nano-fluid improved cooling by 52%, while grille modifications boosted efficiency by 66.5%. Ismail et al. [37] tested hybrid nanoparticle-enhanced PCMs in AC systems, where cylinder configurations saved up to 16.4% power over two hours. Though hybrid PCMs improved thermal response, long-term gains were limited, with cylinders proving most efficient and eco-friendly.

The results of this study have significant implications for HVAC system management and operation. Facility managers and building owners can gain substantial benefits from using nano-fluids as external cooling jackets for condensers, leading to significant improvements in the CoP. This improvement not only reduces operational costs, but also supports environmental goals by decreasing greenhouse gas emissions and energy consumption. Furthermore, nano-fluids' stability and reduced pressure loss can extend equipment lifespans and lower maintenance requirements. For those seeking to optimize air conditioning systems, adopting nano-fluid technology represents a strategic opportunity to boost performance while mitigating environmental impact and long-term expenses. In response to the increasing demand for energy-efficient air conditioning systems, this study evaluates the use of nano-fluids as external cooling jackets for condensers. By leveraging the superior thermal properties of nano-fluids, we expect significant gains in heat transfer efficiency. Our findings show that copper and alumina nano-fluids substantially enhance the CoP of air conditioning systems, with copper nano-fluids demonstrating superior performance due to their higher thermal conductivity. These results suggest that nano-fluids could revolutionize the HVAC industry by offering a sustainable, cost-effective cooling solution that aligns with global energy conservation efforts. A thorough cost analysis, including initial investments, operational savings, maintenance costs, and ROI, is crucial to assess their economic feasibility and ensure that the long-term benefits outweigh the initial costs.

1.2 Application of nano-fluids

As high-heat-flow technologies have developed, the need for advanced heat transfer systems has increased, particularly with increasingly compact and powerful microprocessors that present new challenges in thermal management. The automotive industry, among others, could benefit from enhanced heat transfer, reducing the need for multiple cooling heat exchangers and leading to lighter, more fuel-efficient vehicles. Improving the heat transfer coefficient is key to this advancement, which is achievable through more efficient techniques or by enhancing the properties of the heat transfer material itself.

Systems relying on forced gas convection typically have higher heat transfer coefficients than those relying on free convection, but enhancing the coolant's properties can achieve further improvements. Liquid coolants often contain additives to improve specific characteristics, and nano-fluids have emerged as a versatile solution. Various sectors, including transportation, energy production, and electronic systems like microprocessors and MEMS, use these fluids, which consist of nanoparticles dispersed in a base fluid. Companies such as Nano Vehicles, GM, and Ford recognize the potential of nano-fluids and are actively researching industrial applications.

Nano-fluids hold enormous potential for cooling devices with high heat flux, such as high-power microwave tubes, laser diode arrays, vehicle engines, and welding equipment. Their ability to provide effective cooling in confined spaces can significantly improve the efficiency of MEMS (Micro-Electro-Mechanical Systems). Additionally, nano-fluids could offer substantial advantages in nuclear applications, particularly by enhancing the critical heat flux in forced convection loops.

Nano-fluids' impact on energy conservation is significant; a 1% increase in chiller efficiency could result in substantial energy savings, equivalent to 320 billion kilowatt-hours or 5.5 million barrels of oil annually in the United States. Furthermore, the unique properties of nano-fluids could enhance efficiency in deep drilling applications.

However, the effectiveness of nano-fluids, particularly in air conditioning systems, depends on their stability—the ability of nanoparticles to remain evenly dispersed without aggregating or settling. Instability can lead to clogging, reduced heat transfer efficiency, and increased maintenance requirements, undermining the benefits of using nano-fluids. Therefore, ensuring stability is crucial to maintaining cooling system performance and achieving sustained energy savings.

Addressing challenges such as aggregation, chemical reactions, pH control, surfactant selection, and long-term stability is essential to developing stable nano-fluids. To overcome these challenges, our research employs advanced preparation techniques, stability testing, surfactants, and stabilizing agents. We aim to successfully integrate nano-fluids into air conditioning systems, enhancing energy efficiency and contributing to sustainable HVAC technology.

2. Methodology

2.1 General set-up of air-conditioning system

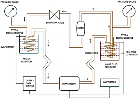
Figure 1 provides a schematic representation of the experimental setup for the air conditioning system, illustrating the key components and their arrangement. For comprehensive details and additional data regarding the experimental test parameters, please refer to Table 1.

Figure 1. Air conditioning system experimental setup diagram

Figure 1 illustrates the experimental setup of a standard Vapor Compression Refrigeration (VCR) system, which includes essential components such as the compressor, condenser, expansion valve, and evaporator. The setup also features fluid-filled jackets with heat-traversing coils, where the jacket's evaporator load is filled with water. The experimental investigation involves testing the system with various fluids—copper nano-fluid, alumina nano-fluid, and water—to assess their impact on overall system performance. We monitor the refrigerant pressure in the condenser and evaporator sections using two pressure gauges, and installs Type-K thermocouple sensors in the outer jackets to directly measure fluid temperatures. We selected Copper (Cu) and Al2O3 nano-fluids for their superior heat transfer properties, affordability, and ease of procurement. We tested the system's thermal performance at three distinct volume fractions: 1%, 2%, and 5%. We prepared the nano-fluids in two stages: first, we blended the powder nanoparticles with water, and then we subjected the mixture to two hours of ultrasonic mixing to achieve a homogeneous solution without the use of detergents or additives. The lab tests involved running the equipment for ten minutes before each test, each lasting fifteen minutes. We started the system with the evaporator jacket water at 40℃, and maintained the fluid in the condenser jacket at 20℃ to ensure optimal operation. The outdoor temperature remained constant at 22℃. We evaluated the CoP of the VCR system by cooling the condenser coil with nano-fluids and water to determine its efficiency. The system operated using CFC-free R134a coolant, with the internal helix width of the evaporator and condenser coils set at 13 cm. Type-K NiCr-Ni temperature probes with a 1.5-mm tip provided precise temperature measurements. The system utilized 2-meter-long tubes with a 6-millimeter diameter to connect various components.

Table 1. Experimental conditions used for air conditioning system

S. No.

Parameter

Specification

1

Nano-fluid volume fraction

1%, 2%, and 5%

2

Al₂O₃ nanoparticle size

70 nm

3

Cu nanoparticle size

70 nm

4

Base fluid

Water

5

Ambient temperature

22℃

6

Evaporator and condenser capacity

7 liters

7

Evaporator loading

Water

8

Condenser coil cooling jacket

Water, Al₂O₃, and Cu Nano-fluids

2.2 Preparation of nano-fluid

Preparing a nano-fluid begins with the creation of nanoparticles and their distribution in a base fluid. The two-step method is more effective in producing nanoparticles such as zinc oxide (ZnO), copper oxide (CuO), and aluminum oxide (Al2O3) than the single-step method, which is one of the two most common ways to make nano-fluids. This work employs the thoroughly researched nanoparticles of alumina, copper oxide, and zinc oxide at a mass concentration of 0.1%. We make nano-fluids with commercially available aluminum oxide, copper oxide, and zinc oxide nanoparticles. The nanoparticles had a specific heat capacity of 769 J/kgK, a thermal conductivity of 37 W/mK, a density of 3820 kg/m³, and an average particle size of 50 nm. We disperse the nanoparticles in deionized water after 5 hours of ultrasonic agitation to obtain the required volume fraction of 0.3%. At a frequency of 40 kHz, the ultrasonic mixer generates 180 W power pulses. To assess dispersion stability, we use the pH value, which represents the overall stability of nano-fluids. The experimental approach focuses on an air conditioning system that uses nano-fluids as an auxiliary cooling medium for the condenser. Thermocouples detect temperatures, pressure gauges monitor refrigerant pressures, and an ultrasonic mixer prepares nano-fluids for research. We also utilize the technology for vapor compression refrigeration. The experimental procedure consists of the following steps. We prepared copper and alumina nano-fluids at three different concentrations (1%, 2%, and 5%) using a surfactant-free two-step method. We employed an ultrasonic mixer to ensure uniform dispersion of the nanoparticles.

  1. System Operation: We operated the air conditioning system, setting the evaporator jacket at 40℃ and the condenser jacket at 20℃, while maintaining a constant ambient temperature of 22℃.
  2. Performance Evaluation: We assessed the system's performance by comparing the coefficients of performance (CoP) when using water and nano-fluids as external cooling mediums for the condenser coil.
  3. Data Collection: We used thermocouples and pressure gauges to collect data on the thermal efficiency of the system.
  4. Data Analysis: We analyzed the collected data to ascertain how nano-fluids affected the air conditioning system's effectiveness and thermal conductivity.

The analysis is conducted using the Jupyter Notebook platform (Anaconda 3). We plot graphs showing the relationship between volume fraction and percentage increases in thermal conductivity, as well as CoP refrigeration, using the following code:

import matplotlib.pyplot as plt

import pandas as pd

# First plot

x = [0.01, 0.02, 0.05]

y = [3, 5.8, 15]

y2 = [3, 6, 16]

plt.scatter(x, y)

plt.scatter(x, y2, color='r')

plt.plot(x, y)

plt.plot(x, y2)

plt.xlabel('Volume Fraction')

plt.ylabel('Percentage Rise in Thermal Conductivity (%)')

plt.legend(['Alumina Nano-fluid', 'Copper Nano-fluid'])

plt.show()

# Second plot

x = [0.01, 0.02, 0.05]

y = [0.615, 0.635, 0.69]

y1 = [0.615, 0.637, 0.695]

plt.scatter(x, y)

plt.scatter(x, y1, color='r')

plt.plot(x, y)

plt.plot(x, y1)

plt.xlabel('Volume Fraction')

plt.ylabel('Thermal Conductivity (W/m-K)')

plt.legend(['Alumina Nano-fluid', 'Copper Nano-fluid'])

plt.show()

# Bar plot

alumina = [0, 3.79, 3.91, 4.17]

copper = [0, 3.87, 4.10, 4.44]

water = [3.43, 0, 0, 0]

index = ['0', '0.01', '0.02', '0.05']

df = pd.DataFrame({'Water': water, 'Alumina': alumina, 'Copper': copper}, index=index)

ax = df.plot.bar(rot=0, width=0.8)

plt.xlabel('Volume Fraction')

plt.ylabel('CoP Refrigeration')

plt.show()

# Third plot

x = [0.01, 0.02, 0.05]

y = [10, 13, 20]

y2 = [13, 20, 30]

plt.scatter(x, y)

plt.scatter(x, y2, color='r')

plt.plot(x, y)

plt.plot(x, y2)

plt.xlabel('Volume Fraction')

plt.ylabel('Percentage Rise in CoP Refrigeration (%)')

plt.legend(['Alumina Nano-fluid', 'Copper Nano-fluid'])

plt.show()

3. Results and Discussion

This study investigates the impact of nano-fluids on the thermal efficiency of an air conditioning system, focusing on how two different types of nanoparticles affect the CoP. The experiment introduces nanoparticles into the condenser's external cooling jacket. We choose copper and alumina nanoparticles for their superior heat conductivity over pure water. The incorporation of these nanoparticles enhances the overall thermal conductivity of the nano-fluid, thereby improving performance relative to using water alone.

Figure 2. Change in thermal conductivity of different Nano-fluids with different volume fractions

Figure 2 illustrates the impact of various nano-fluids, specifically alumina and copper, at varying volume fractions on thermal conductivity. The x-axis displays the range of nano-fluid volume fractions from 0.010 to 0.050, while the y-axis displays the percentage increase in thermal conductivity. Across all volume fractions studied, the data shows that copper nano-fluids enhance thermal conductivity better than alumina nano-fluids. Beginning with a volume fraction of 0.010, both kinds of nano-fluids significantly improve, but the rise is sharper for copper nano-fluids. Over the whole range of values evaluated, this pattern holds true: at a volume fraction of 0.050, copper nano-fluids achieve a roughly 16% increase, whereas alumina nano-fluids exhibit a somewhat smaller increase. These results indicate that, perhaps as a result of their better inherent thermal characteristics, copper nano-fluids are better at increasing thermal conductivity. Nano-fluids have the ability to increase the energy efficiency of systems due to the positive correlation between their volume fraction and increased thermal conductivity.

Figure 3. Percentage increase in thermal conductivity of different nano-fluids compared with pure water

Figure 3 shows how the volume fraction changes with the percentage increase in thermal conductivity for alumina and copper nano-fluids compared to water. Both nano-fluids exhibit a linear increase in thermal conductivity from 0.01 to 0.05 volume fractions. The thermal conductivity of alumina nano-fluid (represented by the blue line) starts at approximately 0.62 W/mK at a 0.01 volume fraction and rises to around 0.67 W/mK at a 0.05 volume fraction. Copper nano-fluid, shown by the orange line, demonstrates slightly higher thermal conductivity values, increasing from about 0.62 W/mK to around 0.69 W/mK over the same volume range. The graph highlights that both nano-fluids significantly enhance thermal conductivity compared to pure water, with copper nano-fluid showing a slight advantage. The superior heat-transfer properties of the nanoparticles and their effective dispersion in the fluid are responsible for this improvement.

Figure 4. Change of CoP of the system in different conditions, i.e., water, copper nano-fluid, and alumina nano-fluid

Figure 4 illustrates the effect of varying volume fractions of water, alumina nano-fluid, and copper nano-fluid on the system's CoP. The graph reveals a substantial increase in the CoP as the volume fractions of the nano-fluids rise relative to water. In particular, the CoP of the system that only uses water is much lower, but it gets much better as the concentrations of copper and alumina nano-fluids (0.01, 0.02, and 0.05 volume fractions) rise. Copper nano-fluid demonstrates the highest thermal performance, achieving the highest CoP across all tested volume fractions. While alumina nano-fluid also surpasses water, it performs slightly less effectively than copper. This trend suggests that incorporating nanoparticles enhances system efficacy, likely due to their improved thermal conductivity and heat transfer capabilities.

Figure 5. Rate of growth of CoP in air conditioning system for different nano-fluids compared to pure water

Figure 5 illustrates the specific increase in CoP when using alumina and copper nano-fluids in comparison to pure water. The x-axis represents the volume fraction of nano-fluids, ranging from 0.010 to 0.050, and the y-axis denotes the percentage increase in CoP. The results indicate that nano-fluids significantly boost CoP at all volume fractions examined, with copper nano-fluids providing a more pronounced enhancement. At a volume fraction of 0.010, both nano-fluids demonstrate considerable improvements, and this trend continues at 0.050, with alumina nano-fluids increasing CoP by slightly over 20% and copper nano-fluids by approximately 30%. These findings suggest that copper nano-fluids are optimal for enhancing AC system efficiency, likely due to their superior thermal conductivity. Furthermore, the results show a strong positive correlation between CoP and nano-fluid volume fraction, highlighting nano-fluids' potential to reduce energy consumption in refrigeration systems.

4. Conclusion

After a thorough examination of the effects of nano-fluids on the thermal performance of air conditioning systems, following conclusions are drawn.

  • Enhanced Thermal Conductivity: The incorporation of copper and alumina nanoparticles into the cooling solution significantly boosts thermal conductivity. Specifically, copper nano-fluids achieve a 16% increase in thermal conductivity at a volume fraction of 0.050, whereas alumina nano-fluids exhibit a slightly smaller enhancement.
  • Improved Coefficient of Performance (CoP): The use of nano-fluids significantly improves the air conditioning system's CoP, thereby enhancing its overall efficiency. At a volume fraction of 0.050, copper nano-fluids lead to a 30% increase in CoP, outperforming alumina nano-fluids, which show a slightly over 20% improvement.
  • Energy Efficiency: Since there is a direct link between the amount of nano-fluids present and the rise in CoP, adding nano-fluids to air conditioning systems could save a lot of energy. This is crucial for advancing energy-efficient cooling technologies.
  • Copper nano-fluids provide optimal performance in air conditioning systems due to their superior thermal conductivity. The 30% increase in CoP observed with copper nano-fluids, compared to the improvements achieved with alumina nano-fluids, underscores their superior performance.
  • Practical Application Potential: The results indicate that using copper nano-fluids in air conditioning systems presents a viable strategy for enhancing energy efficiency. The substantial 30% improvement in CoP at a volume fraction of 0.050 highlights the potential for significant energy savings in cooling applications.

In summary, the study demonstrates that copper nano-fluids substantially enhance both the thermal performance and energy efficiency of air conditioning systems, paving the way for the development of advanced cooling technologies.

  References

[1] Nakkaew, S., Chitipalungsri, T., Ahn, H.S., Jerng, D.W., Asirvatham, L.G., Dalkilic, A.S., Wongwises, S. (2019). Application of the heat pipe to enhance the performance of the vapor compression refrigeration system. Case Studies in Thermal Engineering, 15: 100531. https://doi.org/10.1016/j.csite.2019.100531

[2] Salem, M.M., De Luycker, E., Fazzini, M., Ouagne, P. (2019). Experimental, analytical and numerical investigation to prevent the tow buckling defect during fabric forming. Composites Part A: Applied Science and Manufacturing, 125: 105567. https://doi.org/10.1016/j.compositesa.2019.105567

[3] Rashidi, S., Akar, S., Bovand, M., Ellahi, R. (2018). Volume of fluid model to simulate the nano-fluid flow and entropy generation in a single slope solar still. Renewable Energy, 115: 400-410. https://doi.org/10.1016/j.renene.2017.08.059

[4] Jiang, W., Li, S., Yang, L., Du, K. (2019). Experimental investigation on performance of ammonia absorption refrigeration system with TiO2 nano-fluid. International Journal of Refrigeration, 98: 80-88. https://doi.org/10.1016/j.ijrefrig.2018.09.032

[5] Sanukrishna, S.S., Prakash, M.J. (2018). Experimental studies on thermal and rheological behaviour of TiO2-PAG nanolubricant for refrigeration system. International Journal of Refrigeration, 86: 356-372. https://doi.org/10.1016/j.ijrefrig.2017.11.014

[6] Jiang, W., Du, K., Li, Y., Yang, L. (2017). Experimental investigation on the influence of high temperature on viscosity, thermal conductivity and absorbance of ammonia–water nano-fluids. International Journal of Refrigeration, 82: 189-198. https://doi.org/10.1016/j.ijrefrig.2017.05.030

[7] Adelekan, D.S., Ohunakin, O.S., Gill, J., Atiba, O.E., Okokpujie, I.P., Atayero, A.A. (2019). Experimental investigation of a vapour compression refrigeration system with 15nm TiO2-R600a nano-refrigerant as the working fluid. Procedia Manufacturing, 35: 1222-1227. https://doi.org/10.1016/j.promfg.2019.06.079

[8] Babarinde, T.O., Akinlabi, S.A., Madyira, D.M. (2022). Experimental investigation of R600a/TiO2/mineral oil as a drop-in replacement for R134a/POE oil in a household refrigeration system. International Journal of Ambient Energy, 43(1): 539-545. https://doi.org/10.1080/01430750.2019.1653983

[9] Sanukrishna, S.S., Shafi, M., Murukan, M., Prakash, M.J. (2019). Effect of SiO2 nanoparticles on the heat transfer characteristics of refrigerant and tribological behaviour of lubricant. Powder Technology, 356: 39-49. https://doi.org/10.1016/j.powtec.2019.07.083

[10] Narayanasarma, S., Kuzhiveli, B.T. (2019). Evaluation of the properties of POE/SiO2 nanolubricant for an energy-efficient refrigeration system–An experimental assessment. Powder Technology, 356: 1029-1044. https://doi.org/10.1016/j.powtec.2019.09.024

[11] Sharif, M.Z., Azmi, W.H., Redhwan, A.A.M., Mamat, R., Yusof, T.M. (2017). Performance analysis of SiO2/PAG nanolubricant in automotive air conditioning system. International Journal of Refrigeration, 75: 204-216. https://doi.org/10.1016/j.ijrefrig.2017.01.004

[12] Ajayi, O.O., Ukasoanya, D.E., Ogbonnaya, M., Salawu, E.Y., Okokpujie, I.P., Akinlabi, S.A., Owoeye, F.T. (2019). Investigation of the effect of R134a/Al2O3–nano-fluid on the performance of a domestic vapour compression refrigeration system. Procedia Manufacturing, 35: 112-117. https://doi.org/10.1016/j.promfg.2019.05.012

[13] Sanukrishna, S.S., Prakash, M.J. (2018). Thermal and rheological characteristics of refrigerant compressor oil with alumina nanoparticles—An experimental investigation. Powder Technology, 339: 119-129. https://doi.org/10.1016/j.powtec.2018.08.003

[14] Hussain, T., Khan, F., Ansari, A.A., Chaturvedi, P., Yahya, S.M. (2018). Performance improvement of vapour compression refrigeration system using Al2O3 nano-fluid. IOP Conference Series: Materials Science and Engineering, 377: 012155. https://doi.org/10.1088/1757-899X/377/1/012155

[15] Zawawi, N.N.M., Azmi, W.H., Redhwan, A.A.M., Sharif, M.Z., Sharma, K.V. (2017). Thermo-physical properties of Al2O3-SiO2/PAG composite nanolubricant for refrigeration system. International Journal of Refrigeration, 80: 1-10. https://doi.org/10.1016/j.ijrefrig.2017.04.024

[16] Redhwan, A.A.M., Azmi, W.H., Sharif, M.Z., Mamat, R., Samykano, M., Najafi, G. (2019). Performance improvement in mobile air conditioning system using Al2O3/PAG nanolubricant. Journal of Thermal Analysis and Calorimetry, 135: 1299-1310. https://doi.org/10.1007/s10973-018-7656-2

[17] Soliman, A.M., Abdel Rahman, A.K., Ookawara, S. (2019). Enhancement of vapor compression cycle performance using nano-fluids: Experimental results. Journal of Thermal Analysis and Calorimetry, 135: 1507-1520. https://doi.org/10.1007/s10973-018-7623-y

[18] Ahmed, M.S., Elsaid, A.M. (2019). Effect of hybrid and single nano-fluids on the performance characteristics of chilled water air conditioning system. Applied Thermal Engineering, 163: 114398. https://doi.org/10.1016/j.applthermaleng.2019.114398

[19] Khalifa, A.H. (2019). Comparative study for heat transfer enhancement and energy saving in HVAC system using nanoparticles. IJO-International Journal of Applied Science, 2(3): 1-13.

[20] Baskar, S., Karikalan, L., Shaisundaram, V.S., Jacob, S., Venugopal, S. (2018). Theoretical study and performance of vapour refrigeration system along with additive of zro2. International Journal of Management, Technology and Engineering, 8: 12.

[21] Pico, D.F.M., da Silva, L.R.R., Schneider, P.S., Bandarra Filho, E.P. (2019). Performance evaluation of diamond nanolubricants applied to a refrigeration system. International Journal of Refrigeration, 100: 104-112. https://doi.org/10.1016/j.ijrefrig.2018.12.009

[22] Hu, J., Liu, C., Liu, L., Li, Q. (2018). Thermal energy storage of R1234yf, R1234ze, R134a and R32/MOF-74 nano-fluids: A molecular simulation study. Materials, 11(7): 1164. https://doi.org/10.3390/ma11071164

[23] Ray, D.R., Das, D.K., Vajjha, R.S. (2014). Experimental and numerical investigations of nano-fluids performance in a compact minichannel plate heat exchanger. International Journal of Heat and Mass Transfer, 71: 732-746. https://doi.org/10.1016/j.ijheatmasstransfer.2013.12.072

[24] Padilla, M., Revellin, R., Bonjour, J. (2010). Exergy analysis of R413A as replacement of R12 in a domestic refrigeration system. Energy Conversion and Management, 51(11): 2195-2201. https://doi.org/10.1016/j.enconman.2010.03.013

[25] Bolaji, B.O., Akintunde, M.A., Falade, T.O. (2011). Comparative analysis of performance of three ozone-friends HFC refrigerants in a vapour compression refrigerator. Journal of Sustainable Energy & Environment, 2(2): 61-64.

[26] Ahamed, J.U., Saidur, R., Masjuki, H.H. (2011). A review on exergy analysis of vapor compression refrigeration system. Renewable and Sustainable Energy Reviews, 15(3): 1593-1600. https://doi.org/10.1016/j.rser.2010.11.039

[27] Saravanakumar, R., Selladurai, V. (2014). Exergy analysis of a domestic refrigerator using eco-friendly R290/R600a refrigerant mixture as an alternative to R134a. Journal of Thermal Analysis and Calorimetry, 115: 933-940. https://doi.org/10.1007/s10973-013-3264-3

[28] Joybari, M.M., Hatamipour, M.S., Rahimi, A., Modarres, F.G. (2013). Exergy analysis and optimization of R600a as a replacement of R134a in a domestic refrigerator system. International Journal of Refrigeration, 36(4): 1233-1242. https://doi.org/10.5541/ijot.1368985

[29] Ahmed, F., Khan, W.A. (2021). Efficiency enhancement of an air-conditioner utilizing nano-fluids: An experimental study. Energy Reports, 7: 575-583. https://doi.org/10.1016/j.egyr.2021.01.023

[30] Elsaid, A.M., Wahba, M.A.I., Sharshir, S.W., Abd Raboo, M.F. (2025). Energy saving and performance assessment of a split-type air conditioner integrated by an evaporative cooling unit with nano-fluids. Applied Thermal Engineering, 262: 125178. https://doi.org/10.1016/j.applthermaleng.2024.125178

[31] Zawawi, N.N.M., Azmi, W.H., Ghazali, M.F., Ali, H.M. (2022). Performance of air-conditioning system with different nanoparticle composition ratio of hybrid nanolubricant. Micromachines, 13(11): 1871. https://doi.org/10.3390/mi13111871 

[32] Firouzfar, E., Soltanieh, M., Noie, S.H., Saidi, S.H. (2011). Energy saving in HVAC systems using nano-fluid. Applied Thermal Engineering, 31(8-9): 1543-1545. https://doi.org/10.1016/j.applthermaleng.2011.01.029

[33] Zakaria, I., Azmi, W.H., Mohamed, W.A.N.W., Mamat, R., Najafi, G. (2015). Experimental investigation of thermal conductivity and electrical conductivity of Al2O3 nano-fluid in water-ethylene glycol mixture for proton exchange membrane fuel cell application. International Communications in Heat and Mass Transfer, 61: 61-68. https://doi.org/10.1016/j.icheatmasstransfer.2014.12.015

[34] Alfian, D.G.C., Tarigan, R., Silitonga, D., Afisna, L.P. (2024). Experimental study of the effect of nano-fluid CuO-ethylene glycol/water variation on convection heat transfer in electronic cooling. Journal of Mechanical Engineering and Sciences, 18(3): 10107-10115. https://doi.org/10.15282/jmes.18.3.2024.1.0798

[35] Balaji, N., Kumar, P.S.M., Velraj, R., Kulasekharan, N. (2015). Experimental investigations on the improvement of an air conditioning system with a nano-fluid-based intercooler. Arabian Journal for Science and Engineering, 40: 1681-1693. https://doi.org/10.1007/s13369-015-1644-7

[36] Koçal, D., Erdoğan, B., Kantaroğlu, E. (2024). Experimental investigation of hybrid nano-fluid use in automobile cooling system and the effect of new front grille design on cooling load. International Journal of Thermophysics, 45(11): 160. https://doi.org/10.1007/s10765-024-03457-6

[37] Ismail, M., Zahra, W.K., Ookawara, S., Hassan, H. (2023). Enhancing the air conditioning unit performance via energy storage of different inorganic phase change materials with hybrid nanoparticles. JOM, 75(3): 739-753. https://doi.org/10.1007/s11837-022-05629-x