Numerical Study of the Effect of Air Bubble Location on the PCM Melting Process in a Rectangular Cavity

Numerical Study of the Effect of Air Bubble Location on the PCM Melting Process in a Rectangular Cavity

Abbas Fadhil Khalaf Farhan Lafta Rashid* Ali Basem Mohammed H. Abbas 

Petroleum Engineering Department, College of Engineering, University of Kerbala, Karbala 56001, Iraq

Air Conditioning Engineering Department, Faculty of Engineering, Warith Al-Anbiyaa University, Karbala 56001, Iraq

Medical Physics Department, Al-Mustaqbal University College, Babylon 51001, Iraq

Corresponding Author Email: 
farhan.lefta@uokerbala.edu.iq
Page: 
71-83
|
DOI: 
https://doi.org/10.18280/mmep.100109
Received: 
10 September 2022
|
Revised: 
3 November 2022
|
Accepted: 
20 November 2022
|
Available online: 
28 February 2023
| Citation

© 2023 IIETA. This article is published by IIETA and is licensed under the CC BY 4.0 license (http://creativecommons.org/licenses/by/4.0/).

OPEN ACCESS

Abstract: 

The technique of phase change thermal storage is an effective solution to overcoming the problem of a mismatch between the supply of energy and the demand for it. In this work, a numerical investigation of the influence of an air bubble placement on the paraffin wax melting (PCM) inside of a rectangular cavity is described. The PCM refers to the melting of paraffin wax. In order to conduct a numerical investigation of the research, the enthalpy-porosity combination (the ANSYS / FLUENT 16 program) is used. For the purpose of this experiment, phase change materials for paraffin wax are being used (RT58). As a result of examining several locations of the air bubble (top, center, and bottom) in the rectangular cavity, this paper investigates the influence of air bubbles on the dissolution process and heat transfer. Additionally, the paper investigates the influence of air bubbles on the amount of time that it takes for paraffin wax to melt. When compared to the presence of air bubbles in the center, the presence of air bubbles at the bottom and top of the solution has resulted in a 7% reduction in the amount of time needed to complete the process of dissolution. It has been shown that the presence of air bubbles naturally advances the dissolving process, and it has also been demonstrated that the dissolution process will be accelerated when it is known that the volume of PCMs is greater since it includes the volume of air bubbles.

Keywords: 

paraffin wax, simulation, phase change materials, melting, rectangular cavity

1. Introduction

Major societal sectors that depend on energy's close interaction with everyday life for survival have a significant impact on how contemporary civilization develops. Moreover, people’s requirements as regards indoor comfort are increasing as society develops. Therefore, several technologies and solutions have been used to improve indoor comfort while saving energy and reducing CO2 emissions. While some energy sources are on the verge of exhaustion, others have a substantial negative influence on the environment. Researchers from all around the globe have been looking for alternatives to this energy, with renewable energy being the most significant. It offers a variety of benefits, including the ability to be used anywhere, the fact that it is environmentally friendly and cost-effective in the long term. The major drawback is that, unlike the sun and wind, it is not always there [1-3]. The storage of thermal energy was one strategy tried to solve the issue, and phase change materials are the most popular materials used in thermal energy storage [4, 5]. The most crucial of these methods is the use of copper rods. The researchers tried to examine numerous forms, including phase-changing materials and their impact on heat storage, picking the finest and seeking to boost heat transmission in a number of ways. The study provided evidence for the usefulness of using numerical predictions in experimental studies [6, 7]. Experimental testing of the melting procedure was done in a rectangular cell with PCM inside of it. The melting process speeds up with any temperature increase, according to the research [8, 9]. Experimental research on PCM's heat transfer was done in a rectangular cell. According to the research [10], any increase in air input temperature enhanced the pace of PCM melting and markedly increased the energy charge for the PCM's latent and reasonable heat. In a rectangular container, a computational and experimental examination of the PCM melting process was conducted. According to the research [11], the melting process quickens as the heat flow rises. Using a cylindrical cell, a numerical analysis of thermal energy storage packed with PCM was carried out. The temperature of PCM is greater in the centre and lower on the outside surface of the cylinder, and the first cylinders in the column melt more quickly than the final cylinders in the column [12]. A horizontal cylindrical capsule was used to conduct quantitative research on the melting process. The research found that the early stages of the PCM melting process are dominated by conduction, and that natural convection controls the melting process, changing the amount of time needed to complete the process [13]. Numerical analysis was used to evaluate the melting of partly filled PCM in a vertical cylindrical tube. The results show that the tube diameter, outer wall surface temperature, thermophysical properties, and thickness of the tube shell have a significant impact on the melting process [14]. Experimental research was done on PCM melting inside of a spherical container. The melting process may be sped up, according to the study, by increasing the heater lead's wattage [15]. Experimental research was done on the PCM melting process in a spherical cell. The results show that expanding the cell's breadth causes melting to decrease [16]. A quantitative study of PCM melting in a spherical cell was conducted. Natural convection causes melting at the bottom of the sphere to proceed more slowly than at the top [17]. Experiments on shell and tube latent heat storage for solar dryers were carried out using PCMs. Natural convection has a significant impact on heat transfer, and the buoyant effect causes the melting rate to be quicker at the top [18]. Investigations were made into the PCM melting process in a multi-tube system. According to the research [19], the melting process should be increased as the temperature and number of tubes rise. conducted analysis on the PCM melting in a shell and tube. The results show that the heat pipe significantly affects the melting process. As the number of inner HTF tubes increases, the melting rate should be increased [20]. The addition of nanoparticles to the mixture was tested to determine whether it would improve heat transfer. The results show that incorporating nanoparticles into PCM enhances heat transfer and hence shortens the time needed to complete the melting process [21]. In order to create a novel phase change material for the storage of thermal energy, nano fluids were added to PCMs. The researchers discovered that by enhancing heat conductivity by adding Nano fluid to PCM, the melting process could be completed more quickly [22-27]. The authors claim that they are unaware of any prior research on the subject of evaluating the impact of an air bubble on the melting process of paraffin wax (PCMs) despite the fact that there have been several studies on the melting of PCMs in cylindrical cells.

According to the literature survey, despite the numerous research on melting phase change material in different cavity geometries, no prior results on the problem of effect of the presence of air bubble location on the melting of the phase change material in rectangular cavity are accessible to the authors' knowledge. As a result, the goal of this research is to investigate the placement of the air bubble in the paraffin wax along the rectangular cavity and how that location affects PCM melting.

2. Numerical Procedure

2.1 Physical modeling

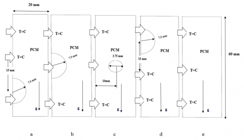
The physical model of the cavity (rectangle) shown in Figure 1 (a) shows a 20 mm wide by 60 mm high 2-D cavity that is separated from the sides of the rectangular cell and heated by hot water flowing through the final side of the cavity. The air bubble's diameter is 15 mm. The center of the air bubble was 15 mm away from the cavity's center. The air bubble is shown to be situated in the center of the cell with the same dimensions in Figure 1 (b). The illustration in Figure 1 (c) demonstrates that the air bubble has the same proportions and is located in the cell's centre. The air bubble is at the top with the same size, as seen in Figure 1 (d). As a comparison point with the situation of the air bubble's existence, Figure 1 (e) shows the geometry without the air bubble.

Figure 1. Configuration of physical model

2.2 Computational procedure

The melting process may be predicted using the numerical analysis, which takes place within the hemi-cylindrical cell. It was found that the flow was incompressible, laminar, and two-dimensional. It was also found that the flow was unstable. In order to represent the melting process, it is assumed that both the liquid and the solid phases are isotropic, homogeneous, and continue to be in thermal equilibrium at the interface. For the purpose of modelling the phase-change zone included inside the PCM, the enthalpy-porosity approach was used. PCM melting is a process that is difficult to understand because of its nonlinearity, its behaviour in time, and the continuous movement of the solid-liquid interface. The modelling of the melting of PCM is accomplished by taking into account the governing partial differential equations, which are continuity, momentum, and energy, which are respectively modelled as Eqns. (1), (2), and (3):

$\frac{\partial \rho}{\partial t}+\nabla \cdot(\rho V)=0$                 (1)

$\frac{\partial(\rho v)}{\partial t}+\nabla \cdot(\rho V)=-\nabla P+\mu \nabla^2 V+\rho g+S$     (2)

$\frac{\partial}{\partial t}(\rho H)+\nabla \cdot(\rho V H)=\nabla \cdot(K \nabla T)$      (3)

The specific enthalpy H is the sum of the sensible enthalpy (h) and the latent heat (ΔH),

$H=h+\Delta H$     (4)

where,

$h=h_{r e f}+\int_{T_{r e f}}^T C_p d T$     (5)

$\Delta H=\beta L_f$     (6)

The content of the latent heat can vary between zero (for a solid and one for a liquid) and the liquid fraction (β) can be written as:

$\beta=\left\{\begin{array}{c}0 \text { solidus if } T<T_s \\ 1 \text { liquidus if } T>T_l \\ \frac{T-T_s}{T_l-T_s} \text { if } T_s \leq T \leq T_l\end{array}\right.$        (7)

The Darcy's law damping term is the source term S in the momentum equation. This term was introduced to the momentum equation as a result of the phase shift impact on the convection, and it can be found in the momentum equation. That may be deduced from the fact that the source term in the momentum equation can be deduced from the following:

$S=\frac{C(1-\beta)^2}{\beta^3} V$      (8)

where, the coefficient C is a mushy zone constant which reflects the morphology of the melting front. This constant is a large number, usually 104 to 107. In the current study C is assumed constant and is set to 105.

2.3 Boundary conditions

In order to provide a source of heat, hot water at a temperature of 77 degrees Celsius and 0.3 meters per second is circulated through the wall. Isolating the cell on the rectangular cell ensures that there will be no heat transfer and eliminates the possibility of heat being lost when traveling from the wall to the whole PCM. As a phase transition material, paraffin wax, also known as RT58, is used. The Table 1 [28, 29] provides an overview of the thermophysical characteristics of paraffin.

Table 1. Thermophysical proprieties of the PCM material [28, 29]

Thermal properties

Paraffin RT58

Density [kg/m3]

840

Specific Heat [J/kg K]

2100

Thermal Conductivity [W/m K]

0.21

Dynamic Viscosity [kg/m s]

0.0269

Thermal expansion Coefficient [1/K]

0.00011

Heat of Fusion [J/kg]

180000

Solidus Temperature [℃]

48

Liquidus Temperature [℃]

62

2.4 Assumptions

In order to develop a mathematical model depicting the process of melting within a rectangular cell, the following assumptions must be taken into account:

1. The process of melting is shown as a model in two dimensions.

2. A solid PCM is loaded into the cell until it is totally full at the outset.

3. The flow is not constant, but it is laminar, and it cannot be compressed.

4. It is believed that the thermo-physical characteristics of the PCM are unaffected by its transition from the solid phase to the liquid phase.

5. The term's contribution to the viscous dissipation is insignificant.

6. The consequences of the change in volume that are linked with the transition from solid to liquid are neglected.

7. There is neither a loss of heat nor an increase in heat from the environment, and there is neither a loss of heat nor an increase in heat from the environment.

3. Results and Discussion

The significance of phase-changing materials in the storage of heat and the clarification of the effect of the presence of air bubble on the melting process have been studied in four different cases. The first case involves the presence of air bubble at the bottom of the rectangular cavity, the second case involves the presence of air bubble at the middle of the cavity, the third case involves the presence of air bubble at the top of the cavity, the fourth case involves the presence of air bubble at the middle-middle of the cavity, and the fifth case involves the absence of In order to get a better understanding of how the existence of air bubbles influences the melting process, the quantity of phase-changing materials was measured using the same capacity of the cylinder, which was not lowered. Additionally, the volume of the air bubble was not reduced.

3.1 Case one (air bubble at the bottom of the rectangular cavity)

In this instance, the research demonstrates that the dissolving process takes 180 minutes to complete. As the PCM melting process relies first on conduction and later on natural convection, it has been discovered that the presence of air bubbles affects the dissolving process. Figure 2 demonstrates how melting occurs. At the beginning of the melting process, conduction is said to be necessary for heat transport. Additionally, the PCM melting across the cylinder wall was impacted and the heat transmission was enhanced by the air bubble that was present at the bottom of the rectangular cavity. Natural convection is then used to transport the heat since melting becomes less rapid the farther, we are from the rectangular hollow wall. It was discovered that the melting process, which takes place over time, begins from the top due to the acceleration effect and the transfer of the hot phase-change materials to the top and the solid part to the bottom, where the presence of the lower air bubble affects whether the melting process is successful. The temperature distribution is further explained in Figure 3 by the inclusion of an air bubble in the rectangular cavity's bottom portion. It demonstrates how heat is first transferred across the rectangular cavity wall during the melting process, and how as we go away from the rectangular cavity wall, the heat is subsequently transferred by natural convection and takes a long time. However, the impact of air bubbles on heat transport is more significant. Figure 4 depicts the velocity distributions and melting speed with an air bubble present in the lowest portion of the rectangular cavity. The conclusion reached is that the existence of air bubbles increases melting, which subtly influences the dissolving process.

Figure 2. Predicted evolution of the melting process with the presence of air bubble at the lower of the rectangle

Figure 3. Temperature distributions with the presence of air bubble at the lower of the rectangle

Figure 4. Velocity distributions with the presence of air bubble at the lower of the rectangle

3.2 Case two (air bubble at the middle of the rectangular cavity)

According to the research, the dissolving process in this instance takes around 170 minutes to complete. The dissolving process is impacted by the presence of air bubbles since the PCM dissolution process first relies on conduction and then later on a healthy pregnancy. In figure, the melting process is shown in Figure 5. Conduction at the beginning of the melting process is necessary for heat transmission, and the presence of an air bubble in the rectangular cavity's center speeds up PCM melting and heat transfer along the wall. Natural convection is necessary for heat transfer since staying away from a wall causes the melting process to slow down. It was discovered that the acceleration effect causes the melting process to begin from the top down over time. In addition, the transfer of hot phase-change materials to the top and solid material to the bottom occurs with the existence of an intermediate air bubble, which affects how well the melting process is completed. The impact of air bubbles is, however, smaller than their presence in the bottom section. The temperature distributions are shown in Figure 6 with an air bubble located in the center of the rectangular chamber. It demonstrates that during the first stages of melting, heat is transmitted across the wall. Later, however, heat transmission depends on natural convection and must be conducted further away from the wall. In this case, the heat transmission is impacted by the existence of air bubbles. Figure 7 illustrates the melting process' speed. The dissolving process is impacted by the melting movement, which is influenced by the presence of air bubbles.

Figure 5. Predicted evolution of the melting process with the presence of air bubble at the middle of the rectangular cavity

Figure 6. Temperature distributions with the presence of air bubble at the middle of the rectangle

Figure 7. Velocity distributions with the presence of air bubble at the middle of the rectangle

3.3 Case three (air bubble at the upper of the rectangular cavity)

In this instance, the research demonstrates that the dissolving process takes 180 minutes to complete. Since the PCM dissolving process relies first on conduction and then secondly on a healthy pregnancy, the presence of air bubbles affects the dissolution process. Figure 8 illustrates the melting process. Conduction is necessary for heat transfer at the start of the melting process. Additionally, the air bubble that is present in the rectangular cavity's center has an impact on speeding heat transport and PCM melting over the wall. Finally, natural convection is used to transmit heat, which causes melting to occur further from the wall and over a longer period of time. As a consequence of the acceleration effect and the transfer of the hot phase change materials to the top and the solid portion to the bottom, it was discovered that the fusion process gradually begins from the top. Additionally, the existence of the top air bubble has an impact on the melting process, having a greater impact than the presence of the air bubble in the middle and having an effect that is identical to that of the bottom section. The temperature shown in Figure 9 shows that heat is first transferred along a rectangular cavity wall during the melting process, and that this is followed by a longer and further distant transfer of heat that depends on natural convection. As a result, it is possible to infer that the existence of air bubbles affects heat transport. Figure 10 shows how quickly the melting happens. It is possible to say that the presence of air bubbles influences the melting motion, which impacts the dissolving process.

 

Figure 8. Predicted evolution of the melting process with the presence of air bubble at the upper of the rectangle

Figure 9. Temperature distributions with the presence of air bubble at the upper of the rectangle

 

Figure 10. Velocity distributions with the presence of air bubble at the upper of the rectangle

3.4 Case four (air bubble at the middle of the rectangular cavity)

The research demonstrates that the dissolving procedure in this instance takes around 170 minutes to complete. Because the PCM dissolving process relies first on conduction and subsequently on a healthy pregnancy, the presence of air bubbles affects how quickly the PCM dissolves. Figure 11 depicts the melting process. The speed of the melting of the PCM and the heat transfer along the wall are both accelerated by the presence of an air bubble in the center of the rectangular cavity. The heat transmission depends on conduction at the beginning of the melting process. Since the melting process slows down when you move away from a wall, heat transfer is reliant on natural convection. Due to the influence of acceleration, it was discovered that the melting process over time begins at the top. Additionally, the transfer of hot phase-change materials to the top and the solid portion to the bottom occurs with the existence of an intermediate air bubble, which affects how well the melting process is completed. Air bubbles do have an impact, although they do so less so in the lower section of the body. A rectangular chamber with an air bubble in the center is shown in Figure 12 to show the temperature distributions. It shows that during the first stages of melting, heat is transmitted across the wall; but, as the melting process progresses, heat transmission depends more and more on natural convection, requiring a greater distance from the wall. The transport of heat is impacted in this way by the presence of air bubbles. Figure 13 illustrates how quickly the melting process moves. The dissolving process is impacted by the mobility of the melting due to the presence of air bubbles.

Figure 11. Predicted evolution of the melting process with the presence of air bubble at the upper of the rectangle

Figure 12. Temperature distributions with the presence of air bubble at the upper of the rectangle

Figure 13. Velocity distributions with the presence of air bubble at the upper of the rectangle

3.5 Case five (without air bubble in the rectangular cavity)

The analysis shows that the dissolving process in this instance takes 170 minutes to complete. In particular, as the PCM dissolving process relies first on conduction and then later on a healthy pregnancy, it is evident that the lack of air bubble has an impact on the dissolution process. Figure 14 displays the melting process. Conduction is required at the start of the melting process for the heat to be transmitted. However, the acceleration of the PCM and heat transmission along the wall are both impacted by the lack of air bubbles in the rectangular hollow cell. As melting occurs further from the wall and over a longer period of time, natural convection is then required for heat transmission. It was also discovered that the fusion process over time begins at the top due to the acceleration effect and the transfer of the hot phase change materials to the top and the solid portion to the bottom, where the dissolving process is quicker without the presence of air. In light of this, it may be said that the phase change material's volume is greater since it also contains the volume of the air bubble. Figure 15 shows the temperature distributions within the rectangular chamber devoid of air bubbles. According to this research, heat is first transferred through the cylinder wall during the melting process before switching to natural convection and taking a considerable amount of time away from the rectangular hollow wall. Therefore, heat transport is impacted by the lack of air bubbles. Figure 16 demonstrates that the acceleration of the melting process in the absence of an air bubble impacts the melting process' movement, which affects the dissolution process and the time needed to complete the process.

Figure 14. Predicted evolution of the melting process without air bubble in the rectangle cell

Figure 15. Temperature distributions without air bubble in the rectangle cell

Figure 16. Velocity distributions without air bubble in the rectangular cavity

3.6 A comparison of the four cases

To further understand how the existence of an air bubble affects the dissolving process, it is important to compare the five situations that were explained previously. It is obvious that the air bubbles at the top and bottom have cut the amount of time needed to complete the dissolving process by 7%. However, compared to the first two situations, the presence of an air bubble in the center of a rectangular cavity has less of an impact. In addition, the lack of the air bubble speeds up the dissolving process, making it necessary to use a higher volume of PCMs when determining the air bubble's volume as seen in Figure 17. It took less time to complete the process of melting when PCMs were fused in a rectangular chamber without the presence of an air bubble. This is attributable to the heat transfer that occurs at the start of melting and relies on conduction along the rectangular hollow wall. The melting process also depends on natural convection, which takes longer time since the heat transmission was delayed and the presence of air bubbles affects the melting process. In Figure 18, we can see that the melting process is influenced by the existence of an air bubble and that the heat transfer relies on natural convection after the melting process first depends on the conduction load. Because the form was analyzed with the same size, it was found that more phase-changing materials were present when the shape was studied without an air bubble.

Figure 17. Variation of melt fraction with time for flow rate of 25 L/min at Tin= 90 °C

Figure 18. Comparison of the melting process between the four cases

4. Conclusion

In this paper, the effect of air bubbles on the melting of paraffin wax (PCM) within a rectangular cavity is studied numerically. To examine the topic quantitatively, the enthalpy-porosity combination (ANSYS/FLUENT-16) was employed. Four scenarios were used in the research to examine the impact of air bubbles on the dissolving process. The time needed to complete the dissolving operation is reduced by 7% as a result of the presence of air bubbles at the top and bottom, it can be inferred. The presence of an air bubble in the center, however, has a less significant impact than in the first two examples. Due to the amount of PCMs being more than the volume of air, the disintegration has also happened spontaneously and more quickly in the absence of an air bubble.

Nomenclature

C

specific heat, J.kg-1.K-1

h

average heat transfer coefficient, W.m-2.K-1

k

thermal conductivity, W.m-1.K-1

L

latent heat of melting, kJ.kg-1

te

elapsed time for each test run, s

T

temperature, K

Greek symbols

β

melt fraction

α

thermal diffusivity (m2/s)

βf

liquid thermal expansion coefficient (1/K)

ρ

density (kg/m3)

v

kinematic viscosity (m2/s)

Subscripts

H

hot water

l

liquid PCM

m

melting

PCM

phase change material

S

solid PCM

  References

[1] Hussein, H.Q., Khalaf, A.F., Jasim, A.K., Rashid, F.L. (2021). Experimental investigation for the influence of a basement inside collector on solar chimney effectiveness. Journal of Mechanical Engineering Research and Developments, 44(4): 346-354.

[2] Hussein, H.Q., Khalaf, A.F., Jasim, A.K. (2022). A numerical study to investigate several thermal insulators to choose the most suitable ones for thermal insulation in buildings. International Journal of Mechanical Engineering, 7(1): 921-929.

[3] Eleiwi, M.A., Rashid, F.L., Khalaf, A.F., Tuama, A.S. (2022). Numerical investigation of conjugate heat transfer between spherical solid body and fluid. Mathematical Modelling of Engineering Problems, 9(2): 491-497.

[4] Bull, S.R. (2001). Renewable energy today and tomorrow. Proceedings of the IEEE, 89(8): 1216-1226. https://doi.org/10.1109/5.940290

[5] Sharma, A., Tyagi, V.V., Chen, C.R., Buddhi, D. (2009). Review on thermal energy storage with phase change materials and applications. Renewable and Sustainable Energy Reviews, 13(2): 318-345. ‏https://doi.org/10.1016/j.rser.2007.10.005

[6] Younsi, Z., Joulin, A., Zalewski, L., Lassue, S., Rousse, D.R. (2009). Phase change materials: a numerical method for the behavior predictions. In Proceedings of the Fourth International Conference on Thermal Engineering: Theory and Applications, pp. 12-14.

[7] Shokouhmand, H., Kamkari, B. (2013). Experimental investigation on melting heat transfer characteristics of lauric acid in a rectangular thermal storage unit. Experimental Thermal and Fluid Science, 50: 201-212.‏ https://doi.org/10.1016/j.expthermflusci.2013.06.010

[8] Dhaidan, N.S., Khalaf, A.F. (2020). Experimental evaluation of the melting behaviours of paraffin within a hemicylindrical storage cell. Experimental Thermal and Fluid Science, 111: 104476. https://doi.org/10.1016/j.icheatmasstransfer.2020.104476

[9] Dhaidan, N.S., Khalaf, A.F., Khodadadi, J.M. (2021). Numerical and experimental investigation of melting of paraffin in a hemicylindrical capsule. Journal of Thermal Science and Engineering Applications, 13(5): 1-8. https://doi.org/10.1115/1.4049873

[10] Sun, X., Chu, Y., Mo, Y., Fan, S., Liao, S. (2018). Experimental investigations on the heat transfer of melting phase change material (PCM). Energy Procedia, 152: 186-191.‏ https://doi.org/10.1016/j.egypro.2018.09.079

[11] Yadav, A., Samir, S. (2019). Experimental and numerical investigation of spatiotemporal characteristics of thermal energy storage system in a rectangular enclosure. Journal of Energy Storage, 21: 405-417.‏ https://doi.org/10.1016/j.est.2018.12.005

[12] Alshara, A.K., Kadhim, M.K. (2014). Numerical investigation of energy storage in packed bed of cylindrical capsules of PCM. Engineering and Technology Journal, 32(2): 494-510.‏

[13] Hlimi, M., Hamdaoui, S., Mahdaoui, M., Kousksou, T., Msaad, A.A., Jamil, A., El Bouardi, A. (2016). Melting inside a horizontal cylindrical capsule. Case Studies in Thermal Engineering, 8: 359-369.‏ https://doi.org/10.1016/j.csite.2016.10.001

[14] Bechiri, M., Mansouri, K. (2019). Study of heat and fluid flow during melting of PCM inside vertical cylindrical tube. International Journal of Thermal Sciences, 135: 235-246.‏ https://doi.org/10.1016/j.ijthermalsci.2018.09.017

[15] Rizan, M.Z., Tan, F.L., Tso, C.P. (2012). An experimental study of n-octadecane melting inside a sphere subjected to constant heat rate at surface. International Communications in Heat and Mass Transfer, 39(10): 1624-1630.‏ https://doi.org/10.1016/j.icheatmasstransfer.2012.08.003

[16] Ismail, K.A., Moura, L.F., Lago, T., Lino, F.A., Nobrega, C. (2016). Experimental study of fusion and solidification of phase change material (pcm) in spherical geometry.‏ 12th International Conference on Heat Transfer, Fluid Mechanics and Thermodynamics, pp. 1243-1248.

[17] Sattari, H., Mohebbi, A., Afsahi, M.M., Yancheshme, A.A. (2017). CFD simulation of melting process of phase change materials (PCMs) in a spherical capsule. International Journal of Refrigeration, 73: 209-218.‏ https://doi.org/10.1016/j.ijrefrig.2016.09.007

[18] Agarwal, A., Sarviya, R.M. (2016). An experimental investigation of shell and tube latent heat storage for solar dryer using paraffin wax as heat storage material. Engineering Science and Technology, an International Journal, 19(1): 619-631.‏ https://doi.org/10.1016/j.jestch.2015.09.014

[19] Esapour, M., Hosseini, M.J., Ranjbar, A.A., Pahamli, Y., Bahrampoury, R. (2016). Phase change in multi-tube heat exchangers. Renewable Energy, 85: 1017-1025.‏ https://doi.org/10.1016/j.renene.2015.07.063

[20] Ebrahimi, A., Hosseini, M.J., Ranjbar, A.A., Rahimi, M., Bahrampoury, R. (2019). Melting process investigation of phase change materials in a shell and tube heat exchanger enhanced with heat pipe. Renewable Energy, 138: 378-394. https://doi.org/10.1016/j.renene.2019.01.110

[21] Jesumathy, S., Udayakumar, M., Suresh, S. (2012). Experimental study of enhanced heat transfer by addition of CuO nanoparticle. Heat and Mass Transfer, 48(6): 965-978.‏ https://doi.org/10.1007/s00231-011-0945-y

[22] Harikrishnan, S., Kalaiselvam, S. (2012). Preparation and thermal characteristics of CuO-oleic acid nanofluids as a phase change material. Thermochimica Acta, 533: 46-55.‏ https://doi.org/10.1016/j.tca.2012.01.018

[23] Tiji, M.E., Al-Azzawi, W.K., Mohammed, H.I., Dulaimi, A., Rashid, F.L., Mahdi, J.M., Majdi, H.Sh., Talebizadehsardari, P., Ali, H.M. (2022). Thermal management of the melting process in a latent heat triplex tube storage system using different configurations of frustum tubes. Journal of Nanomaterials, 7398110: 14. https://doi.org/10.1155/2022/7398110 

[24] Rashid, F.L., Hussein, A.K., Malekshah, E.H., Abderrahmane, A., Guedri, K., Younis, O. (2022). Review of heat transfer analysis in different cavity geometries with and without nanofluids. Nanomaterials, 12(14): 2481. https://doi.org/10.3390/nano12142481

[25] Dhaidan, N.S., Kokz, S.A., Rashid, F.L., Hussein, A.K., Younis, O., Al-Mousawi, F.N. (2022). Review of solidification of phase change materials dispersed with nanoparticles in different containers. Journal of Energy Storage, 51: 104271. https://doi.org/10.1016/j.est.2022.104271 

[26] Rashid, F.L., Talib, S.M., Hussein, A.K., Younis, O. (2022). An experimental investigation of double pipe heat exchanger performance and exergy analysis using air bubble injection technique. Jordan Journal of Mechanical and Industrial Engineering, 16(2): 195-204. 

[27] Hussein, E.Q., Rashid, F.L., Hussein, A.K., Younis, O. (2021). Hydrodynamics of single bubble rising through water column using volume of fluid (VOF) method. Journal of Thermal Engineering, 7(1): 2107-2114. https://doi.org/10.14744/jten.2021.0006 

[28] Buonomo, B., Manca, O., Ercole, D., Nardini, S. (2016). Numerical simulation of thermal energy storage with phase change material and aluminum foam.‏ Proceedings of the 6th International Conference on Porous Media and Its Applications in Science and Engineering ICPM6.

[29] Rashid, F.L., Basem, A., Khalaf, F.A., Abbas, M.H., Hashim, A. (2022). Recent Breakthroughs and Improvements in Phase Change Material Melting in a TripleTube Thermal Storage Unit. Revue des Composites et des Matériaux Avancés-Journal of Composite and Advanced Materials, 32(6): 295-304. https://doi.org/10.18280/rcma.320605