Piezoelectric Transducer Safety System for Infant Monitoring

Piezoelectric Transducer Safety System for Infant Monitoring

Elizabeth O. Amuta* Joseph A. Mene Gabriel O. Sobola Nina N. Okaro Simeon Matthew Kevwe Olukayode

Department of Electrical and Information Engineering, Covenant University, PMB 1023, Ota 110002, Nigeria

Department of Electrical and Electronic Engineering, University of Delta, Agbor 321281, Nigeria

Department of Electrical and Electronics Engineering, Federal University of Agriculture, Abeokuta 110002, Nigeria

Corresponding Author Email: 
elizabeth.amuta@covenantuniversity.edu.ng
Page: 
885-892
|
DOI: 
https://doi.org/10.18280/ijsse.140320
Received: 
3 October 2023
|
Revised: 
15 March 2024
|
Accepted: 
1 April 2024
|
Available online: 
24 June 2024
| Citation

© 2024 The authors. This article is published by IIETA and is licensed under the CC BY 4.0 license (http://creativecommons.org/licenses/by/4.0/).

OPEN ACCESS

Abstract: 

Ensuring the safety of infants around swimming pools or hazardous areas can be tasking for caregivers and their parents. Providing safety devices that can keep track of infants and prevent them from going to unauthorized locations is very necessary. The study aims to design and implement an infant safety system that uses a Piezoelectric sensor. The paper constructed a system to alert parents of an infant's attempted entry into a dangerous area, such as balconies and swimming pools, and it also incorporated an automatic door-locking system around the location. The Piezoelectric Sensor Infant Monitoring System was designed to enhance infant safety at home. The system utilized piezoelectric transducers and pressure sensors, incorporating an automatic door to secure unauthorized zones. Components like Arduino Nano, an LCD, and a buzzer were used to create the prototype. The device was designed to harvest energy by converting mechanical energy from ambient vibrations into electrical energy that will send signals to the GSM module, alerting the homeowner by sending a call. The model adopts the technology of pressure control, and when the pressure reaches a set value and the dial of the scale reaches a specific value simultaneously, the automatic door will open. The device is designed to harvest energy by converting mechanical energy from ambient vibrations into electrical energy that will power the motor of the automatic door of the safety system. The test proved the system's effectiveness in accurately detecting and blocking an infant, but it only grants access to authorized individuals while alerting caregivers. The results demonstrated improved child safety, responsible parenting, and a secure environment. The Piezoelectric sensor safety system offers a practical solution for enhancing infant monitoring for safety and preventing avoidable mishaps, thereby reducing infant mortality and morbidity in present times. The system can serve as a protection device for very busy mothers.

Keywords: 

piezoelectric sensors, Arduino uno, solenoid lock, LCD, dail scale

1. Introduction

Infant mortality is an ever-pressing issue in the world. There have been cases of infants drowning in swimming pools because of no supervision from adults or infants falling off balconies in their homes [1-3]. Physical risks, poor home quality, externalizing destructive behaviors, low socioeconomic level, and lingering maternal depressive symptoms have all been identified as risk factors for housing-related injuries [4-7].

One of the biggest causes of infant accident fatality in homes is drowning [8, 9]. According to studies on pool drownings conducted, children under the age of ten drowned more frequently in Californian cities or regions with greater median family earnings [10, 11]. From research, it is noted that the higher drowning rates in more affluent neighborhoods are probably caused by increased exposure to residential (private) swimming pools. However, income in the study was not substantially associated with the drowning rate.

Parents and guardians sign their kids up for swimming lessons and other swimming-related activities to reduce the risk of drowning [11, 12]. A baby playing in a pool can develop their swimming skills after learning to swim, pick up a variety of other aquatic abilities, and learn how to handle potentially dangerous situations [12]. Three main factors contribute to drowning in swimming pools: they are a lack of swimming ability, reckless behavior, and medical conditions [13, 14]. Children drowning is one of the constant tragedies that can occur in the home, which is made much more horrible by the fact that it was utterly preventable [15, 16]. An earlier study conducted in hospitals found that many infants and toddlers suffered severe burns from electric kettles and pots in the kitchens, another area where children should not be allowed [17]. Piezoelectricity is the capacity of certain materials, whether naturally occurring or artificially structured, to accumulate and dispense electric charges in response to applied mechanical pressure.

The proposed piezoelectric transducer infant safety system deployed a sensing control device used for automatic doors in buildings. The model adopted pressure control technology, and the automatic door will open when the pressure reaches a set value. The prototype model can work for a long time and is especially suitable for infant safety in balconies in homes, swimming pools, etc.

In the study of Ibrahim et al. [18], the authors use a Raspberry Pi device to create an advanced and efficient baby monitoring system. The system addressed various aspects of monitoring an infant, including playback of recorded audio, real-time video and audio streaming, room humidity and temperature measurement, and detection of the baby's wakefulness. The primary goal was to monitor the baby using a camera, microphone, speaker, and sensor to accurately assess the ambient temperature and humidity. One of the shortcomings was that the system's reliance on recorded audio playback might not effectively mimic the soothing presence of a caregiver. Also, babies often seek comfort and reassurance from human interaction, which may not be adequately provided through audio playback alone. Franklin and Peden [19] carried out a study on drowning prevention in children, and the study noted that drowning can be prevented by fencing a dangerous area. Despite the fact that child pool mortality has considerably dropped in areas where pool fencing is enforced, open gates, damaged fences, and inadequate gate-locking devices still give curious toddlers access. He et al. [20] presented a study on a highly accurate, intelligent real-time framework for detecting infant drowning using deep learning but did not give any physical solution to the study problem. Alotaibi [21] developed a highly reliable and efficient detection method that can identify and categorize things connected to drowning occurrences from a single image. The proposed system was designed to prevent drowning incidents by providing an intelligent and automated solution for monitoring swimming pool safety using the Internet of Things (IoT). The proposed system utilizes a powerful transfer-learning-based model capable of extracting complex and meaningful features from the captured image. Fang et al. [22] introduced an innovative vision-based infant monitoring system to provide caregivers with a comprehensive solution for ensuring the safety and well-being of infants. The system utilizes input videos captured by a PT (Pan Tilt) IP (Internet Protocol) camera strategically positioned at a high point within a room to obtain a wide field of view.

In the study of Lee et al. [23], artificial intelligence (AI) technologies and the Internet of Things (IoT) were deployed for infant safety at home, but the system was only virtual.

Hence, to fill in the gaps identified in literature, this study now incorporates a piezoelectric sensor-controlled device into the proposed systems, thereby reducing the drowning rate by restricting infant access to the pool without adult supervision.

The transducer was also referred to as a sensor in this study.

2. Materials and Methods

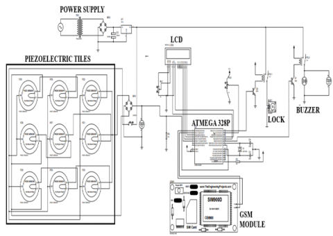
The system design consists of various components interconnected to perform the desired functions, which include the power supply, a DC power source connected to the Arduino NANO microcontroller, the dial scale, piezoelectric sensors, LCD, solenoid Lock, Buzzer, and GSM module.

Figure 1 illustrates the block diagram of the Piezoelectric Sensor Safety System for Infants.

Figure 1. Block diagram of the piezoelectric sensor safety system

2.1 Complete system layout

Figure 2 illustrates the circuit diagram of the circuit simulation on Proteus software. The circuit diagram shows how the various components of the system were interconnected, enabling the system to recognize when weight is being applied to the piezoelectric tile, notify the homeowner, turn on the buzzer, and regulate the solenoid lock based on the weight threshold. The power supply source was connected to the Arduino NANO microcontroller and other components in parallel. The microcontroller is the brain of the system and controls and acts as the system's central control unit, coordinating the operations of each component. The Arduino NANO microcontroller receives input from the piezoelectric sensor and the infrared sensor mounted on the dial scale. Based on the input signals, the microcontroller makes decisions to activate the buzzer, GSM module, LCD, and solenoid lock. The GSM module was connected to the Arduino NANO microcontroller using serial communication. The solenoid lock was connected to a relay controlled by a microcontroller's digital output pin. This power supply was stepped down from the AC mains of 240V to 24V and is then regulated 12V needed by the Solenoid lock. A power supply of 12V powered the Buzzer alarm and solenoid lock. The piezoelectric transducer is connected to one of the analog input pins of the microcontroller. The LCD was connected to the microcontroller using parallel communication to display and provide information about the system's access status. The buzzer is connected to a digital output pin of the microcontroller. The solenoid lock is connected to a relay, controlled by a microcontroller's digital output pin. The resistors and capacitors were used for voltage regulation, current limiting, and noise filtering to ensure stable operation of the components by deploying Eqs. (1)-(4).

$\mathrm{C}=\frac{\mathrm{It}}{\mathrm{V}}$                (1)

$t=\frac{1}{4 \mathrm{f}}$             (2)

$\mathrm{V}=\sqrt{2 \mathrm{~V}_{\mathrm{rms}}}-\mathrm{V}_{\mathrm{d}}$             (3)

$C=\frac{1}{4 f \sqrt{2 V_{\mathrm{rms}}}-V_d}$             (4)

Figure 3 illustrates the flowchart of the system's operational procedure, showing the relationships between the system and components and clearly analyzing the sequential procedures needed to carry out its functioning.

Figure 2. System design circuit diagram

Figure 3. Flowchart of the system operations

2.2 System hardware design

The hardware assembly phase of the piezoelectric transducer safety system involved carefully integrating and connecting various hardware components to develop a fully functional system.

2.2.1 Piezoelectric sensor

A Piezoelectric Sensor operates on the piezoelectricity principle. When stress is applied, the ions within the material shift towards one conductive surface while moving away from the other. The piezoelectric sensor was a vital system component designed to sense the weight of an infant stepping on the designated tile. It converts mechanical stress into electrical signals, allowing for accurate weight measurement. Figure 4 shows a piezoelectric sensor.

Figure 4. Piezoelectric sensor

2.2.2 Dial scale

A bathroom scale was converted into an electrical device to act as a mechatronic sensor. The dial weight scale was incorporated to provide a platform for infants to step on, enabling the piezoelectric sensor to measure their weight. The dial scale ensured a consistent and reliable weight measurement mechanism. Figure 5 shows the dial scale with the curved construction used to replace the scale pointer.

Figure 5. Dial scale with the curved construction

2.2.3 Arduino NANO

The Arduino Nano microcontroller was essential in designing and implementing the piezoelectric intelligence and functionality to ensure the system operates effectively. Figure 6 shows the Arduino NANO. The microcontroller kit connects digital devices with components that sense and control objects in the physical world [24, 25]. The Arduino was pre-programmed with a boot loader that simplifies the uploading of programs to the on-chip flash memory. It is a compact, breadboard-friendly board based on the ATmega328 processor with a type B USB [26, 27].

Figure 6. Arduino NANO microcontroller

2.2.4 Relay module

Relays are electromechanical switches that can handle high currents or voltages and are commonly used to control circuits that operate at different power levels. In the design, the relays served as switching mechanisms that enabled the microcontroller to control various actions based on the detected weight on the piezoelectric tile. Specifically, it was used to control the activation or deactivation of the solenoid lock and the buzzer. Figure 7 presents the used Relay Module.

Figure 7. Relay module

2.2.5 SIM800L GSM module

The GSM module was responsible for communication purposes. SIM800l GSM Module was deployed in the study to send a warning message to a pre-describe phone [28, 29]. The module component was used to interface the microcontroller with the piezoelectric transducer. Figure 8 presents the GSM Module.

Figure 8. GSM module

2.2.6 Solenoid lock

The solenoid lock was deployed to serve as a mechanism to control access to a designated area, door, or dangerous area. Its primary purpose was to provide security and restrict unauthorized entry. Figure 9 shows the solenoid lock.

Figure 9. Solenoid lock

2.2.7 LCD screen (16×2)

Liquid Crystal Display (LCD) was a visual output component that provided a convenient and user-friendly interface for displaying important information, status updates, and system feedback. The LCD showed the status of the detection sensor and any other action the microcontroller took. With the LCD, the system provided real-time information about various aspects, such as the weight readings from the piezoelectric transducer and system status messages. Figure 10 shows the LCD Screen. Table 1 represents the LCD specifications.

Figure 10. LCD screen

Table 1. LCD specifications

LCD Backlight Colour

Yellow Green

Display Type

16×2 character

Dimension

58.0×32.0×10.0

Onboard Controller

SPLC780D

Character

2.96×5.5

2.3 System software design

The code was written using the Arduino programming language to implement the desired functionality, involving variables, functions, and control structures to handle sensor inputs, process data, and trigger appropriate actions. The code was structured to interact with the hardware components, such as reading sensor values from the piezoelectric transducer and infrared sensor, sending signals to the GSM module, and controlling the buzzer and solenoid lock.

Figure 11 illustrates the Arduino IDE.

Figure 11. Screenshot of the Arduino IDE

2.4 System implementation

The hardware and software components were integrated. This involves connecting the Arduino microcontroller with the various modules. The LCD system provided real-time information about various aspects, such as the weight readings from the piezoelectric transducer and system status messages. This allows users to easily monitor the system's behavior, make informed decisions, and ensure the smooth operation of the overall infant safety system feedback to the user. The buck converter was used to stabilize the voltage from the piezoelectric transducer and helped to prevent voltage fluctuation in the input voltage from affecting the microcontroller's performance, which is required for the proper operation of the Arduino NANO microcontroller, which operates at 5V DC. The system implementation started from the power supply; a DC power source was connected to the Arduino NANO microcontroller and other components in parallel. The grid of several piezoelectric sensors was connected to the dial scale in series and parallel connections, which is then connected to the input pin of the Arduino NANO microcontroller. The microcontroller receives input signals from the piezoelectric sensors. The pointer of the scale was replaced with a curved construction. Based on the input signals, the microcontroller decides to activate the buzzer, GSM module, LCD, and solenoid lock connected in parallel to the microcontroller. The solenoid lock was connected to a relay, which is controlled by a digital signal from the output pin of the microcontroller. A separate power supply powered the buzzer alarm and solenoid lock as 12V is selected to excite these devices. The power supply was stepped down from the AC mains of 240V. The hardware connections were verified, and the software functionalities were tested to ensure proper communication and interaction between all system components. Figure 12 presents the hardware components assembly.

Figure 12. Hardware components assembly

2.5 System operation

The system was designed to function in two scenarios. In the first scenario, when an infant is below 40 kg and steps on the piezoelectric tile, it senses the weight applied to it, generating an electrical signal proportional to the weight. The microcontroller then processes this signal. The microcontroller receives the weight information and sends a signal to the relay, which activates the buzzer to provide an audible alert. At the same time, the relay keeps the solenoid lock closed, preventing the door from being opened and ensuring the infant's safety. The purpose of keeping the solenoid lock closed in this scenario is to ensure the safety and security of the infant. By keeping the door locked, the system prevents the infant from entering or exiting the area without adult supervision, thus reducing the risk of accidents or unauthorized access. The microprocessor also sends a signal to the GSM module by activating the GSM module and buzzer. The GSM module then initiates an SMS to the homeowner, notifying them of the infant's presence at a dangerous point for immediate attention.

In the second scenario, when an adult weighing above 40kg steps on the piezoelectric tile mounted on the dial scale, the microcontroller triggers the relay to open the solenoid lock. The scenario allows the door to be unlocked, allows the adult to pass through, and provides access to the designated area for authorized individuals.

3. Results and Discussion

System tests were conducted to eliminate design and implementation flaws that may have occurred during development and to verify its proper operation. The study's results demonstrate the successful implementation of an infant safety system using various system components. The circuit design effectively detects weight applied to the piezoelectric tile and takes appropriate actions. The system accurately differentiates between infants and adults based on the weight threshold and obstructing the infrared sensor.

3.1 System test

The following tests were carried out on the system.

3.1.1 Power supply testing

The study also carried out a power flow test on the system. Figure 13 shows the power supply testing.

Figure 13. Power supply test

3.1.2 Solenoid lock testing

The solenoid lock receives the activation signal, which causes it to operate. The solenoid lock undergoes a mechanical process, either unlocking or remaining closed, based on the activation signal received from the microcontroller. Figures 14(a) and 14(b) show the testing results from the solenoid lock. The LCD visually checks the solenoid lock's physical condition to ensure it corresponds to the desired behavior. The result in Figure 14(a) shows that when the solenoid lock is unlocked, access is granted to the designated area, while in Figure 14(b), when the solenoid lock is locked, access is denied.

Figure 14. Testing of the solenoid lock

3.1.3 Complete system prototype testing

When an infant steps on the scale, the system triggers an alert, activating the buzzer to generate an audible alarm. Simultaneously, it sends an SMS alert to the homeowner via the GSM module, providing real-time notification of the situation, and on the LCD is displayed 'ACCESS DENIED DOOR LOCKED' as shown in Figure 15. Figure 16 shows the image of the SMS alert sent to the homeowner.

Figure 15. View from the system when an infant steps on the scale

3.1.4 Communication with user through the GSM module

The test for communication with the user was done with the aid of the GSM module, and it was observed that every step of the operation process was closely disseminated to the user's mobile number registered with the system from the coding. The user's mobile received a phone SMS alert whenever an infant attempted to access the restricted areas.

Figure 16. Screenshot of the SMS alert

Figure 17 presents the result from the demonstration when an adult steps on the tile. The system recognizes the weight to be greater than 40kg, the solenoid lock is activated and unlocked, and access is granted to the designated areas. The LCD displays "ACCESS GRANTED DOOR UNLOCKED."

The results demonstrate the feasibility and effectiveness of using a piezoelectric transducer-based safety system to prevent accidents and promote infant safety in residential environments. This system offers a reliable and automated solution for parents and guardians to monitor and control access, reducing the risks of accidents and ensuring the well-being of infants.

Figure 17. View from the system when an adult steps on the scale

4. Conclusions

The study developed: "Piezoelectric Transducer Infant Monitoring System" was a comprehensive solution to ensure the safety and well-being of infants in dangerous environments. The designed system integrated a piezoelectric transducer, microprocessor, GSM module, buzzer, solenoid lock, and LCD display to effectively monitor the weight of infants stepping on a designated tile. Upon sensing the weight, the system decides whether to allow access or not. The system effectively monitors the weight of infants stepping on a designated area. The study's impact is evident in its contribution to infant safety monitoring. It provides parents and homeowners with a reliable and advanced system that enhances infant safety, reduces risks, and offers peace of mind. This study presents a prototype for a system that provides users the capability to effectively control and monitor infants around dangerous environments such as the summing pools. The prototype solution aims to promote a safe environment that reduces the risk for infants and financial resources by employing more caregivers at home for the end user. Hence, the prototype is practically feasible to deploy and install. The device is user-friendly in the senses, and none of its components are dangerous to handle, implement, and use. This feature could ensure that the system remains functional and can continuously monitor and give alerts even during power fluctuations or failures. Incorporating a battery backup system to ensure continuous operation and data integrity in the event of a power outage or disruption could be a step toward future advancements in infant monitoring.

Acknowledgment

The authors sincerely appreciate Covenant University Centre for Research, Innovation, and Discovery for sponsoring this research work.

  References

[1] Cheggou, R., Mohand, S.S.H., Annad, O., Khoumeri, E.H. (2020). An intelligent baby monitoring system based on Raspberry PI, IoT sensors and convolutional neural network. In 2020 IEEE 21st International Conference on Information Reuse and Integration for Data Science (IRI), Las Vegas, NV, USA, pp. 365-371. https://doi.org/ 10.1109/IRI49571.2020.00059

[2] Rudyansyah, A., Warnars, H.L.H.S., Gaol, F.L., Matsuo, T. (2020). A prototype of baby monitoring use raspberry Pi. In 2020 International Conference on ICT for Smart Society (ICISS), Bandung, Indonesia. https://doi.org/10.1109/ICISS50791.2020.9307586

[3] Ibrahem, R.A., Mohamed, M.A., Nora, A.K., Reham, S.E.D. (2016). Knowledge, attitude and practice of rural mothers towards home injuries among children under 5 years of age in Menouf District-Menoufia Governorate, Egypt. Menoufia Medical Journal, 29(4): 1033-1039. https://doi.org/10.4103/1110-2098.202506

[4] Saadati, M., Tabrizi, J.S., Rezapour, R., Kalajahi, R.A. (2020). Home injury prevention attitude and performance: A community-based study in a designated safe community. Journal of Injury and Violence Research, 12(2): 145-152. https://doi.org/10.5249/jivr.v12i2.1506

[5] Rachana, M.S., Nadig, S.M., Naveen, R., Pooja, N.K., Krishna, M.T.G. (2018). S-MOM: Smart mom on the move. In 2018 2nd International Conference on Trends in Electronics and Informatics (ICOEI), Tirunelveli, India, pp. 1341-1344. https://doi.org/10.1109/ICOEI.2018.8553971

[6] Reddy, Y.S.S., Vamsi, K.S.V., Akhila, G., Poonati, A., Jayanth, K. (2021). An automated baby monitoring system. International Journal of Engineering and Advanced Technology, 10(6): 114-119. https://doi.org/10.35940/ijeat.f3058.0810621

[7] Mahdi, M.A., Gittaffa, S.A., Issa, A.H. (2022). Multiple fault detection and smart monitoring system based on machine learning classifiers for infant incubators using raspberry Pi 4. Journal Européen des Systèmes Automatisés, 55(6): 771-778. https://doi.org/10.18280/jesa.550609

[8] Jessula, S., Asbridge, M., Romao, R., Green, R., Yanchar, N.L. (2019). Where to start? Injury prevention priority scores in Canadian children. Journal of Pediatric Surgery, 54(5): 968-974. https://doi.org/10.1016/j.jpedsurg.2019.01.030

[9] Karthik, S., Priya, E.L.D., Anand, K.R.G., Sharmila, A. (2020). IoT based safety enhanced swimming pool with embedded techniques to reduce drowning accidents. In 2020 International Conference on Smart Electronics and Communication (ICOSEC), Trichy, India, pp. 843-847. https://doi.org/10.1109/ICOSEC49089.2020.9215247

[10] Bierens, J., Scapigliati, A. (2014). Drowning in swimming pools. Microchemical Journal, 113: 53-58. https://doi.org/10.1016/j.microc.2013.10.003

[11] Kałamajska, E., Misiurewicz, J., Weremczuk, J. (2022). Wearable pulse oximeter for swimming pool safety. Sensors, 22(10): 3823. https://doi.org/10.3390/s22103823

[12] Chauvin, M., Kosatsky, T., Bilodeau-Bertrand, M., Gamache, P., Smargiassi, A., Auger, N. (2020). Hot weather and risk of drowning in children: Opportunity for prevention. Preventive Medicine, 130: 105885. https://doi.org/10.1016/j.ypmed.2019.105885

[13] Morgan, E.R., Hitchcock, W., Sakamoto, I., Stempski, S., Rivara, F., Vavilala, M., Quan, L.D. (2022). Disparities in adolescent reported drowning prevention strategies. Journal of Adolescent Health, 71(6): 757-760. https://doi.org/10.1016/j.jadohealth.2022.06.026

[14] Cox, K.L., Bhaumik, S., Gupta, M., Jagnoor, J. (2022). Facilitators and barriers of life jacket use for drowning prevention: Qualitative evidence synthesis. Journal of Safety Research, 80: 135-147. https://doi.org/10.1016/j.jsr.2021.11.010

[15] Byard, R.W. (2012). Drowning in childhood-an ongoing problem. Journal of Pediatric Intensive Care, 1(1): 3-4. https://doi.org/10.3233/PIC-2012-002

[16] Simoes, G., Dionisio, C., Gloria, A., Sebastiao, P., Souto, N. (2019). Smart system for monitoring and control of swimming pools. In 2019 IEEE 5th World Forum on Internet of Things (WF-IoT), Limerick, Ireland, pp. 829-832. https://doi.org/10.1109/WF-IoT.2019.8767240

[17] Gunsmaa, G., Price, P.E., Potokar, T., Ichikawa, M. (2022). Solution-oriented research for paediatric burn prevention in Mongolia: An assessment of prevention tools. Burns, 48(6): 1509-1515. https://doi.org/10.1016/j.burns.2021.09.014

[18] Ibrahim, D.M., Hammoudeh, M.A.A., Ambreen, S., Mohammadi, S. (2019). Raspberry Pi-based smart infant monitoring system. International Journal of Engineering Research and Technology, 12(10): 1723-1729.

[19] Franklin, R.C., Peden, A.E. (2017). Improving pool fencing legislation in Queensland, Australia: Attitudes and impact on child drowning fatalities. International Journal of Environmental Research and Public Health (IJERPH), 14(12): 1450. https://doi.org/10.3390/ijerph14121450

[20] He, Q.E., Zhang, H.S., Mei, Z.Q., Xu, X.Y. (2023). High accuracy intelligent real-time framework for detecting infant drowning based on deep learning. Expert Systems with Applications, 228: 120204. https://doi.org/10.1016/j.eswa.2023.120204

[21] Alotaibi, A. (2020). Automated and intelligent system for monitoring swimming pool safety based on the IoT and transfer learning. Electronics, 9(12): 2082. https://doi.org/10.3390/electronics9122082

[22] Fang, C.Y., Lo, C.S., Ho, S.H., Chuang, S.H., Chen, S.W. (2016). A vision-based infant monitoring system using PT IP camera. In 2016 International Symposium on Computer, Consumer and Control (IS3C), Xi'an, China. https://doi.org/10.1109/IS3C.2016.80

[23] Lee, Y., Kim, K.K., Kim, J.H. (2019). Prevention of safety accidents through artificial intelligence monitoring of infants in the home environment. In 2019 International Conference on Information and Communication Technology Convergence (ICTC), Jeju, Korea (South), pp. 474-477. https://doi.org/10.1109/ICTC46691.2019.8939675

[24] Sheu, A.L., Adagunodo, T.A., Oladejo, O.P., Omeje, M. (2021). Development of PIC18F4431 microcontroller controlled air conditioning system. IOP Conference Series: Earth and Environmental Science, 655: 012028. https://doi.org/10.1088/1755-1315/655/1/012028

[25] Kondaveeti, H.K., Kumaravelu, N.K., Vanambathina, S.D., Mathe, S.E., Vappangi, S. (2021). A systematic literature review on prototyping with Arduino: Applications, challenges, advantages, and limitations. Computer Science Review, 40: 100364. https://doi.org/10.1016/j.cosrev.2021.100364

[26] Daniyan, I.A., Dahunsi, O.A., Oguntuase, O.B., Daniyan, O.L., Mpofu, K. (2019). Development of a prototype test rig for leak detection in pipelines. Procedia, 80: 524-529. https://doi.org/10.1016/j.procir.2019.01.016

[27] Sharma, D., Jain, R.K., Sharma, R., Shan, B.P., Shiney, O.J. (2023). Analysis of BPM/Pulse rate and its correlation with BMI for sprint activity using ATMega328 based Arduino Uno. Materials Today: Proceedings, 80(P3): 3851-856. https://doi.org/10.1016/j.matpr.2021.07.401

[28] Okokpujie, K., John, S.N., Noma-Osaghae, E., Okokpujie, I.P., Robert, O. (2019). A wireless sensor network based fire protection system with SMS alerts. International Journal of Mechanical Engineering and Technology (IJMET), 10(2): 44-52.

[29] Oguntosin, V., Okeke, C., Adetiba, E., Abdulkareem, A., Olowoleni, J. (2023). IoT-based greenhouse monitoring and control system. International Journal of Computing and Digital Systems, 14(1): 1-1.